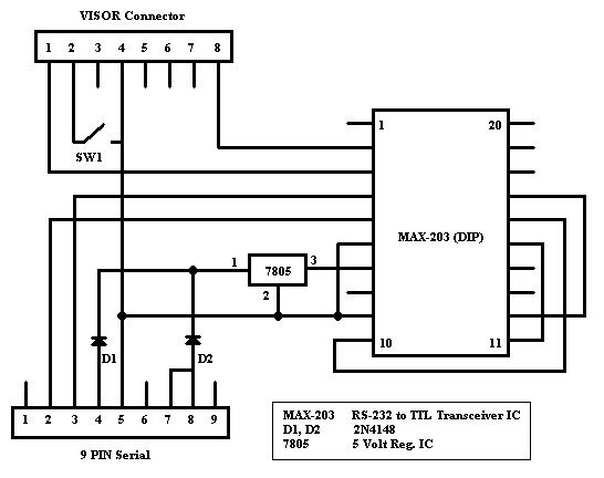
TTL to Serial Cable

  • This is a pretty basic design. This circuit will let your Handspring Palm talk to a serial device, specifically a TNC or modem. The circuit was originally designed to help people convert their USB hot-sync stands to serial so they could hot sync through a serial com port. That is why SW1 exists in the circuit. When open it will allow for serial data to flow feely. When the switch is connected the palm will act a little crazy or may not work at all. Since I only use my cables for packet and APRS and I have a seperate hot-sync cable, I just left this short out. The diodes are NOT a need, but they do help to prevent from a +5 VDC backfeed back into the port. Enjoy and good luck.